中文
English
解决方案
烟草库房
医药物流
冷链物流
机械汽车
公共场馆
商场超市
环保空调
项目案例
烟草库房
医药物流
冷链物流
机械汽车
公共场馆
商场超市
环保空调
产品中心
管道式布风口
抗菌风管
绝热风管
设计选型
产品系列
出风模式
形状类别
材质种类
安装模式
法瑞服务
系统优化
法瑞100问
资料下载
售后保障
合作伙伴
典型客户
供应商
组装商
认证机构
关于法瑞
公司简介
社会责任
资质荣誉
媒体报道
联系我们
法瑞期刊
管道式布风口
抗菌风管介绍
科拉系列
福尔系列
美丽洁系列
您的位置:
网站首页
英杜莱系列
开式冷却塔
发布时间:2015-07-08 16:26:25 点击:
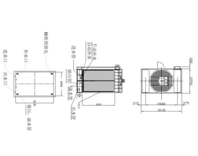
开式冷却塔
原理:
热源出来的热水流入冷却塔的上部散水槽中,受重力作用,通过散水孔均匀地喷洒在填料表面,同时,空气由冷却塔两侧的进风格栅进入,横掠填料,并与喷淋水形成横流,一小部分水被蒸发,从而带走热量,降低水温。热湿空气由顶部的通风机排到周围大气中,被冷却的水则落到集水盘后重新回到热源。
特点:
ENDURACOOL开式冷却塔采用先进的引风横流设计,是工业应用中不仅高效节能而且环保的设计方案,ENDURACOOL冷却塔以其精湛的设计,使设备在运行和维护保养方面具有更优秀的品质。
设备图纸
200T
400T
600T
800T
1000T
上一篇:
逆流闭式冷却塔参数
下一篇:
开式冷却塔参数
【关闭当前页面】
【打印】
联系我们
|
媒体报道
|
社会责任
©
2009-2011 联系电话:4006687188
京ICP备09076047号 友链:
郑州法布瑞克
|
羿海科技
|
空气能锅炉
|
有机肥发酵罐